配线槽&配件
尼龙电缆接头&配件
金属电缆接头&配件
塑料软管&接头
金属软管&接头
尼龙扎带
尼龙拖链
电气安装轨&配件
电缆标识
配线固定座
结束带/套管
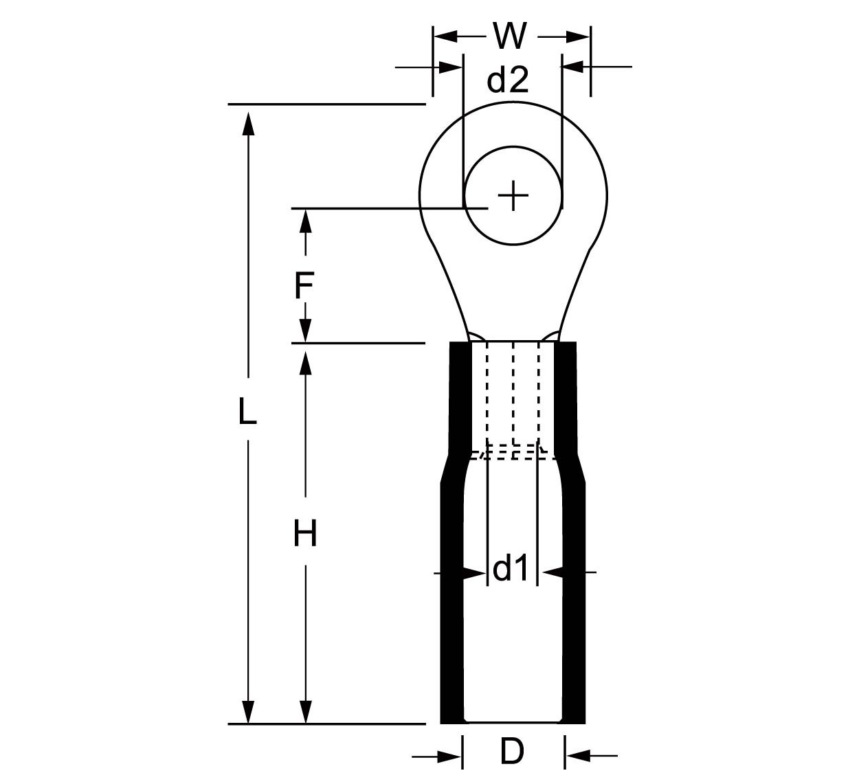
冷压端子
铜接头
热缩管
绝缘子
钢钉线卡
绝缘螺母
工具
WiFi智能控制继电器
呼叫/复位/步进继电器
照明继电器
电源开关
时间继电器
电压保护继电器
电流保护继电器
电磁式继电器
继电器插座
接线端子
端子排
铜条端子
接线盒
小型断路器
断路器
塑料螺丝防水盒
固定铰链、搭扣防水箱
SMC玻璃纤维防水箱
塑料防水箱
防水配电箱
微动开关
限位开关
磁吹开关
防水开关
钮子开关
脚踏开关
电感式接近传感器
光电式传感器
激光传感器
电流互感器
计数器
计时器
数字面板系列
指针系列仪表
警示蜂鸣器
带灯警示蜂鸣器
马达警报器(风螺)
圆头警示灯
多层警示灯
LED节能信号灯
带功能符号信号灯
半导体信号灯
抗干扰信号灯
带灯按钮开关
双键按钮开关
蘑菇头按钮开关
带功能符号按钮开关
选择开关
金属壳按钮开关
金属按钮开关
弹簧复位按钮
按钮指示灯配件
控制按钮盒
PHS型光敏开关
OM型光敏开关
REX-C型温控器
CH型温控器
E5C4温控器
数显式定时开关
机械式定时开关
水位开关
液位控制器
环保节能工业空调
RHB型尺寸示意图(一)
RHB型尺寸示意图(二)